
1.什么是三點式振蕩器?
三點式振蕩器是指晶體管的三個電極直接與振蕩回路的三個端點相連接而構成的振動器,如圖5-45所示。3個電抗中,必有有兩個相同性質的電抗(同是電感或者電容),而另一個必須是與前兩者相反性質的電抗,才能滿足振蕩的相應條件。三點式振蕩器有很多種形式,較常用的有電感三點式振蕩器、電容三點式振蕩器、改進型電容三點式振蕩器等。
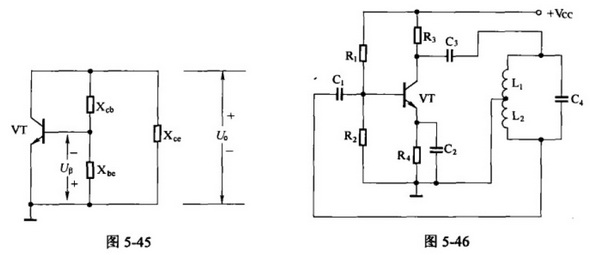
2.怎么分析電感三點式振蕩器
a.電感三點式振蕩器電路圖如圖5-46所示。L1、L2、C4為構成震蕩回路的三個電抗元件。R1、R2為振蕩晶體管VT的基極偏置電阻,R3為集電極電阻,R4為發射極電阻。C1、C3為基極、集電極耦合電容,C2為旁路電容。由于震蕩回路的3個電抗中有2個是電感,所以叫電感三點式振蕩器。
b.電感三點式振蕩器是利用自耦變壓器將輸出電壓Uo反饋到輸入端,電感L1和L2可看做是一個自耦變壓器,L1上的輸出電壓Uo可以通過自耦在L2上產生反饋電壓Un,Un與Uo反相而與U1相同,即正反饋。L1上的輸出電壓Uo同時加在C4、L2支路上,由于電容上電流超前電壓90度,所以支路電流I比Uo超前90度。而I流過電感L2所產生的反饋電壓Un又比I超前90度,即輸出電壓Uo反相(相差180度)而與輸入電壓相同。
c.電感三點式振蕩器的優點是容易起振,波段頻率范圍較寬;缺點是振蕩輸出電壓波形不夠好,諧振較多。
信息來自:晶體振蕩器 泰藝晶振